摘要: 研究了低濃度鉻(三價和六價)對SBR生物系統的抑制影響,考察了兩種不同SBR工藝(傳統工藝和分段進水工藝)在處理含低濃度鉻廢水過程中常規的出水水質和活性污泥性狀的變化,以及微生物群落的變遷.研究結果表明,在進水總鉻(Cr(Ⅲ):Cr(VI)=4:1)濃度為0.5 mg·L-1的條件下,傳統工藝和分段進水工藝的氨氮去除率由99%分別下降至70%和65%,同時,磷酸鹽去除率也由99%分別下降至51%和43%.當進水中總鉻濃度達到1 mg·L-1時,分段進水工藝SBR系統的氨氮和磷酸鹽去除率最終分別下降至44%和37%.此外,多糖和蛋白質的分泌量變化分別呈下降和上升趨勢.高通量測序結果表明,活性污泥細菌群落豐富度和多樣性受到了鉻離子的影響,并且Nitrospira、Acidobacteria、Planctomycetes、Cyanobacteria和Candidatus_Accumulibacter等脫氮除磷功能菌種的生長都受到了一定程度的抑制,也與被抑制的SBR系統脫氮除磷去除率下降的宏觀現象相吻合.
1 引言
隨著工業的發展,越來越多的有毒的難降解污染物,特別是重金屬污染物排入到污水處理廠.目前,我國大多污水處理廠都采取活性污泥法,大量重金屬污染物的流入使得活性污泥微生物受到毒性抑制,從而導致COD、氮磷等物質的去除率受到影響,出水難以穩定達標.其中,鉻是應用在煉鋼、電鍍、制革、化工和印染等行業的一類典型的重金屬.Novotnik等研究發現,Cr(Ⅲ)濃度超過50 mg·L-1或Cr(Ⅵ)濃度超過2.5 mg·L-1時,活性污泥硝化過程受到抑制影響.Stasinakis等研究表明,當Cr(Ⅵ)濃度超過5 mg·L-1時,氨氮去除率在1 d之內就下降70%,超過10 mg·L-1時,活性污泥的生長就會受到抑制.Fang等研究發現,Cr(Ⅵ)濃度超過5 mg·L-1時,生物強化除磷系統(EBPR)的除磷效率就會受到抑制.然而,這些研究主要考察了鉻離子對活性污泥的急性毒性(即高濃度鉻對活性污泥的沖擊)和短期影響.根據我國《電鍍污染物排放標準》(GB 21900—2008),總鉻排放限值為0.5 mg·L-1,可知我國實際污水處理廠的進水中鉻離子濃度較低.因此,有必要研究低濃度鉻對活性污泥系統長期累積效應的影響.活性污泥工藝中微生物群落的變遷與污染物去除效率有極大的相關性,研究低濃度鉻對活性污泥細菌群落的影響,特別是關于一些脫氮除磷功能菌的影響機制可以為宏觀污染物變化現象提供微觀解釋.從微觀方面,本試驗通過高通量測序技術分析低濃度鉻對SBR系統微生物群落的影響機制.研究結果對于污水生物處理系統的調控和優化有重要的理論價值和實踐指導意義.
2 材料與方法
2.1 試驗用水和活性污泥來源
本試驗采用自配制模擬污水,其母液分為5部分,分別為碳源(CH3COONa 32.03 g·L-1,無水葡萄糖 23.44 g·L-1)、氮源(NH4Cl 38.21 g·L-1,CaCl2 0.45 g·L-1,MgSO4 2 g·L-1)、磷源(KH2PO4 4.45 g·L-1)、Cr(Ⅲ)(3.769 g·L-1)和Cr(Ⅵ)(2.829 g·L-1).根據試驗所需,使用時配比相應的營養物質比例,考慮到模擬混合廢水,即有一部分工業廢水進入,污染物濃度較高,故初始進水COD、NH4+-N和PO43--P濃度分別設為900、100和12 mg·L-1.活性污泥取自浙江省杭州市七格污水處理廠,經過1個月的馴化培養后再進行抑制試驗.
2.2 試驗裝置
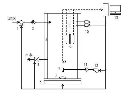
試驗采用SBR工藝,試驗裝置如圖 1 所示.共4套SBR裝置,為有機玻璃制成的圓柱體,包含溫控隔層,工藝運行由DAC(數值模擬轉換器)系統和LABVIEW程序智能控制,反應器內溫度通過水浴隔層控制在(25±1)℃,pH和DO通過反饋控制系統分別保持在7.0±0.2和(4.0±0.5)mg·L-1,污泥濃度(MLSS)通過每天測定計算,控制在(3200±100)mg·L-1,系統每個周期運行時間為8 h,排水比為1/3.R1和R2系統采用傳統的進水-缺氧(150 min)-好氧(300 min)-排泥-排水工藝,而R3和R4系統采用分段進水工藝,即進水1/3-缺氧(45 min)-好氧(90 min)-缺氧(45 min)-好氧(90 min)-缺氧(60 min)-好氧(120 min)-排泥-排水.

圖 1試驗SBR裝置示意圖(1.進水泵; 2.進水流量計; 3.水浴器; 4.電磁閥; 5.磁力攪拌器; 6.轉子; 7.曝氣頭; 8.壓力傳感器; 9.DO、PH、溫度探頭; 10.酸堿蠕動泵; 11.空氣流量計; 12.曝氣機; 13.DAC系統)
2.3 試驗方法
本試驗共設4套SBR反應器,經過1個月的穩定運行后開始鉻抑制試驗,R1作為對照組,進水不添加任何濃度的Cr.R2~R4為試驗組,R2和R3進水總鉻濃度為0.5 mg·L-1,R4進水總鉻濃度為1.0 mg·L-1,且Cr(Ⅲ)與Cr(Ⅵ)濃度比例為4:1.每天3個運行周期,定期排泥,控制系統MLSS在指定范圍內,為了觀察SBR系統的處理性能變化,每天測量一個周期的進出水COD、NH4+-N、TN、NO3--N、PO43--P和活性污泥的MLSS和SVI,各指標的測定方法見《水和廢水監測分析方法》(第4版).定期測定活性污泥的EPS,其中,糖原測量采取蒽酮法,蛋白質測量采取Folin-Lowry法.在抑制試驗的初期和末期分別取活性污泥的DNA,采用高通量測序技術考察細菌群落變化.
3 結果與討論
3.1 含鉻廢水對SBR系統性能的影響
在低濃度鉻條件下COD的去除率變化如圖 2所示,在0.5 mg·L-1和1 mg·L-1總鉻條件下,4套SBR系統都保持較高的COD去除率,平均分別為96.8%、96.9%、96.7%和95.7%,相比之下,R4的COD平均去除率最低,說明1 mg·L-1總鉻條件下SBR系統的COD去除率受到了一定的影響.活性污泥工藝水中COD主要靠異養菌的生長代謝所去除,Wang等研究發現,10 mg·L-1 Ni(II)會造成SBR系統TOC去除率由90.2%降至75%.Stasinakis等的研究表明,10 mg·L-1 Cr(Ⅵ)會對有機物的氧化產生抑制.Cheng等也發現,SBR工藝的COD去除率在添加5 mg·L-1 Cr(Ⅵ)條件下由93.6%降至75.8%.說明Cr(Ⅵ)達到一定濃度時,異養菌去除COD的能力會受到抑制作用.綜合本試驗結果,說明低濃度鉻對活性污泥系統中異養菌有一定的抑制影響作用.

圖 2鉻對SBR系統COD去除率的影響
SBR系統中氨氮主要通過硝化菌在好氧條件下氧化為硝態氮,硝態氮進而在缺氧條件下通過反硝化菌還原為N2,系統進水和出水亞硝酸濃度都低于0.3 mg·L-1,可以認為本試驗中不存在亞硝酸鹽積累現象.從圖 3a可以看出,在總鉻濃度為0.5 mg·L-1和1 mg·L-1的進水條件下,氨氮去除率在第29 d出現了顯著下降,并在后續的試驗中持續下降,R2、R3和R4系統的氨氮去除率最終分別下降至70%、65%和40%.說明硝化過程在研究時間段內不會受到低濃度鉻的影響,隨著抑制時間的增加,系統中活性污泥吸附累積的鉻達到了一定限量,抑制了硝化細菌的正常生長和工作,導致了氨氮去除率下降.相比R2和R3系統,在同樣總鉻濃度進水條件下,分段進水工藝受到的抑制作用更強(第29 d后,R2和R3的氨氮去除率平均值分別為86%和75%),可能是因為分段進水增加了缺氧和好氧交替次數,從而細菌活動更加頻繁,也增加了鉻抑制細菌的機會,導致分段進水更早出現抑制現象.由圖 3b和圖 3c可見,R3和R4系統出水的硝酸鹽濃度明顯低于R1和R2在硝化過程受到抑制之前(29 d之前),系統出水硝酸鹽濃度平均值分別為R1(15 mg·L-1)>R2(12 mg·L-1)>R3(5.8 mg·L-1)>R4(5.8 mg·L-1),總氮去除率大小依次為R3(92%)>R4(90%)>R2(87%)>R1(85%).證實了分段進水模式相比SBR傳統A/O工藝具有更高的反硝化效率和總氮去除率.反硝化必須具備缺氧和碳源兩個條件,分段進水工藝提供了3次反硝化條件,而傳統A/O工藝只有在進水后的缺氧段才有充足的反硝化條件.試驗后期氨氮通過硝化轉變為硝酸鹽氮的過程受到抑制,導致后期系統出水硝酸鹽濃度較低,這也造成了后期R2、R3和R4的總氮去除率的變化趨勢與氨氮去除率變化相近,在第40 d,分別下降至62%、62%和44%.綜合以上結果可得,在長期低濃度鉻進水條件下,SBR工藝的硝化過程會受到顯著的抑制作用,而且分段進水工藝的硝化過程受到的抑制作用更強;相反,低濃度鉻的存在有利于反硝化作用的進行,且分段進水模式相比傳統的SBR工藝具有更高的反硝化效率.

圖 3鉻對SBR脫氮系統的影響(a.系統氨氮去除率,b.系統總氮去除率,c.系統出水硝酸鹽濃度)
如圖 4所示,試驗前期磷酸鹽去除率穩定保持在99%,隨著活性污泥中鉻漸漸地積累,R2、R3、R4系統在第34、31和27 d陸續出現了磷去除率下降現象,直至試驗結束,R2、R3和R4系統磷去除率分別下降至51%、43%和37%.活性污泥系統除磷過程主要依賴于聚磷菌的過量吸磷,研究發現,當EBPR系統中Cr(Ⅵ)高于0.3 mg·L-1時,其除磷性能逐漸喪失,聚磷菌占全菌的比例由84.26%下降至38.40%.本試驗中隨著鉻離子對SBR系統中活性污泥的不斷影響,系統內鉻累積的量不斷增加,聚磷菌生長代謝過程受到了抑制,導致整個系統除磷效率降低.此外,比較R2和R3系統,同樣可發現分段進水工藝更早出現抑制現象,原因可能是分段進水工藝(R3)相比傳統SBR工藝(R2)提供更多釋磷吸磷交替過程.比較R3和R4系統,可見進水鉻濃度越高,抑制現象越早出現,即更易受到抑制影響.總之,在低濃度鉻條件下,SBR系統除磷過程受到了顯著的抑制影響.

圖 4鉻對SBR系統磷酸鹽去除率的影響
3.2 活性污泥性狀的影響
活性污泥性狀在本試驗中是用SVI值和胞外聚合物分泌量(本試驗以多糖和蛋白質為主,DNA和腐殖酸含量很低)來表征,如圖 5所示,在0.5 mg·L-1總鉻濃度條件下,活性污泥SVI值基本不受影響,其值始終與R1系統的相接近.然而,在1 mg·L-1總鉻濃度條件下,SVI值在第36 d開始上升,直至第38 d達到160 mL·mg-1,表明活性污泥出現污泥膨脹現象.

圖 5鉻對SBR系統SVI值的影響
EPS在低濃度鉻的影響下也發生了較大的變化,R2、R3和R4系統多糖的分泌能力受到了抑制,最終的分泌量相比初始值分別下降了58.7%、59.6%和67.7%(圖 6a).與之相反,由于微生物可以通過促進蛋白質的分泌來抵御鉻的生物毒性,因此,試驗開始后出現了蛋白質量上升的現象(圖 6b).由此可見,0.5 mg·L-1總鉻濃度對SBR系統的SVI值影響不大,但1 mg·L-1總鉻濃度則會引起污泥膨脹;而且低濃度鉻對細胞多糖的分泌功能有抑制作用,對細胞蛋白質合成則有促進作用.

圖 6鉻對SBR系統EPS的影響(a.多糖,b.蛋白質)
3.3 對SBR系統微生物群落的影響
在試驗的第1 d和第40 d,提取了活性污泥DNA進行高通量測序.表 1評估了SBR系統微生物群落的豐富度和多樣性.表中數據表明,各反應器Coverage值均較高,基本保持在0.996以上,說明本次測序結果具有很好的代表性.OTUs(R1>R3>R2>R4)和Chao1值(R1=R3>R2>R4)表明系統中微生物群落的豐富度,說明在低濃度鉻的影響下,活性污泥系統微生物群落的豐富度受到了抑制.Shannon值(R3>R4>R1>R2)表征了系統微生物群落的多樣性,可見SBR分段進水工藝的活性污泥群落多樣性高于傳統SBR工藝,且系統內微生物群落的多樣性也受到了鉻離子的抑制作用(R2
表 1 SBR系統微生物群落豐富度和多樣性評估

主要細菌群落變遷如圖 7所示.比較R1和R2系統,可見在低濃度鉻的影響下,許多微生物的生長都受到了抑制,如在脫氮過程中起重要作用的Acidobacteria(由22.8%降至1.2%)、Planctomycetes(由12%降至1%)和Cyanobacteria(由2.2%降至0.03%),以及在除磷過程中起主導作用的Candidatus_Competibacter(由6.4%降至0.12%)和Candidatus_Accumulibacter(由5.5%降至0.25%)等,其在系統微生物群落中所占的比例出現大幅度下降,這也是試驗后期氨氮和磷酸鹽去除率下降的原因.另外,在強化生物除磷系統中經常出現的Chlorobi也受到了明顯抑制(由4.1%降至0.7%).另一方面,低濃度鉻的條件也促進了一些細菌的生長,導致其在群落中所占比例大大提升,如Candidate_division_TM7(由13%增至45%)、Bacteroidetes(由13%增至30%)和Zoogloea(由0.8%增至8.8%)等.通過比較R2和R3系統可知,在低濃度鉻條件下,SBR傳統A/O工藝和分段進水工藝中微生物群落的變化存在差異.Proteobacteria和Thauera作為主要的反硝化細菌,其在R3中所占比例(分別為36%和3%)顯著大于R2中所占比例(分別20%和1.1%),從微觀角度證明了分段進水工藝有利于反硝化菌的生長,從而提高了SBR的反硝化效率.同時,分段進水也更有利于某些其他重要菌種的生長,如Rhodocyclaceae(R2:3.2%;R3:11.7%)、Terrimonas(R2:0.4%;R3:2.8%)、Azospira(R2:0.2%;R3:3.5%)和Dechloromonas(R2:0.16%;R3:1.7%)等;比較R3和R4系統可知,在進水鉻濃度增大至1 mg·L-1時,Bacteroidetes(R3:36%;R4:22%)、Acidobacteria(R3:2.3%;R4:0.5%)、Planctomycetes(R3:1.8%;R4:0.4%)、Rhodocyclaceae(R3:11.7%;R4:2.7%)、Nitrospira(R3:0.5%;R4:0.07%)等微生物群落比例都出現了顯著的下降.相比其他系統,R4中出現了一種新的微生物群落—BD1-5,并且占據較大比例(19%),關于BD1-5出現在活性污泥中的報道較少,根據R4在第40 d時出現了污泥膨脹現象推測BD1-5有可能是一種絲狀菌.總之,從微生物群落變遷的結果可得,低濃度鉻對SBR活性污泥系統微生物群落有一定影響,特別是抑制了許多脫氮除磷功能菌的生長,導致了宏觀指標去除率下降的現象.具體參見 污水處理技術資料或污水技術資料更多相關技術文檔。

圖 7鉻對SBR系統細菌群落的影響
4 結論
在含低濃度鉻(總鉻濃度為0.5 mg·L-1)進水條件下,SBR系統的COD、氨氮、磷酸鹽處理性能、活性污泥性狀及系統微生物群落都受到了不同程度的影響.傳統工藝和分段進水工藝的氨氮去除率由99%分別下降至70%和65%,同時,磷酸鹽去除率也由99%分別下降至51%和43%.比較不同的SBR工藝,可發現分段進水工藝在面對重金屬鉻的抑制時更加敏感;低濃度鉻對活性污泥胞外聚合物也有所影響,多糖的分泌量隨鉻抑制時間的推移而下降,而蛋白質則呈上升趨勢;活性污泥細菌群落結構在低濃度鉻的影響下也發生了改變,系統微生物群落豐富度和多樣性都受到了抑制影響,Nitrospira、Acidobacteria、Planctomycetes、Cyanobacteria和Candidatus_Accumulibacter等脫氮除磷功能菌的生長都受到了一定程度的抑制,分段進水工藝更有利于其反硝化作用的Proteobacteria和Thauera等細菌的生長.
